网站首页  百科知识

请输入您要查询的百科知识:

 

词条 节能电磁开关
类别 中文百科知识
释义

节能电磁开关electromagnetic switch forsaving energy

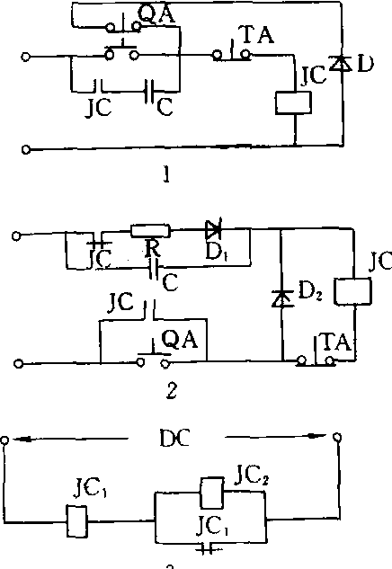
在交流电磁开关(接触器)上加装直流供电的辅助电路,向该电磁铁供直流电以节约电能的一种开关。实现直流电运行有3种方法:
❶采用交流电源进行操作,再由整流后的直流电向电磁铁供电,吸住主触点,使电源和负载接通;
❷采用交流电源,经整流后进行直流操作和运行;
❸在电磁开关应用比较集中的地方,可设一套整流电源作为公用直流电源使电磁开关直接进行直流操作和保持。交流接触器采用直流运行的优点是:功率损耗小、无噪声、接触器温升低、线圈寿命长。经测定,交流接触器采用直流运行后,耗电量只有原来的2%~5%,节电效果十分显著。

节能电磁开关工作原理示意

1.交流操作直流保持线路 2.交流电源直流操作直流保持线路 3.直流电源直流操作直流保持双线圈线路

随便看

 

开放百科全书收录579518条英语、德语、日语等多语种百科知识,基本涵盖了大多数领域的百科知识,是一部内容自由、开放的电子版国际百科全书。

 

Copyright © 2000-2025 oenc.net All Rights Reserved
更新时间:2026/5/18 18:58:34