网站首页  百科知识

请输入您要查询的百科知识:

 

词条 流量计标定装置
类别 中文百科知识
释义

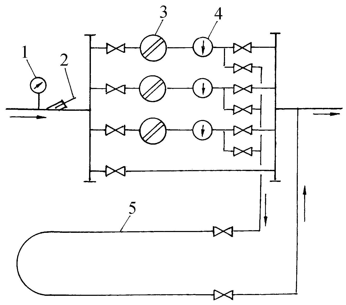
流量计标定装置meter prover

对使用中的流量计进行实液标定的标准体积流量装置。用以确定流量计的仪表系数和精度。标定设备有固定式或移动式标准体积管,标准流量计等。中国原油管道大多选用容积复现性优于±0.02%的标准体积管,即一段经特殊加工的容积精确的管道,其两个信号仪之间的基准容积一般为待检定的流量计的最大小时流量的0.5%。上图所示为标定系统的原理流程,正常输送时油流经过滤器和流量计后外输;标定时经阀门的自动切换,油流经过滤器、流量计,再流经标准体积管后外输,根据体积管上信号仪所检测的在一定时间内油流流过基准容积的次数,就可计算出准确的流量。


计量及标定系统原理流程
1-压力表;2-温度计;3-过滤器;4-流量计;
5-标定管

随便看

 

开放百科全书收录579518条英语、德语、日语等多语种百科知识,基本涵盖了大多数领域的百科知识,是一部内容自由、开放的电子版国际百科全书。

 

Copyright © 2000-2025 oenc.net All Rights Reserved
更新时间:2026/1/12 20:12:05