网站首页  百科知识

请输入您要查询的百科知识:

 

词条 数/模转换器
类别 中文百科知识
释义

数/模转换器digital-to-analog converter

把数字量转换成模拟量的电子线路,简称D/A转换器,计算机或控制系统将输入信号加工处理后,输出的控制信号为数字量,通过数/模转换器将数字量转换成为模拟量,以便控制执行机构。
原理 数/模转换器由电阻网络、电子开关和运算放大器三部分组成。根据电阻网络的不同结构,可分为权电阻网络、R-2R电阻网络和变形权电阻网络的三种数/模转换器。权电阻网络原理是将二进制数字量按其权的大小转换成为相应大小的电流或电压。在权电阻网络中阻值由低位到高位按R/20、R/21、R/22、R/23……R/2n的大小变化,差别较大,难以保证各权电阻的制造精度。因此,在集成化的数/模转换器中常用R-2R电阻网络代替权电阻网络,电子开关常由MOS管或晶体管组成。当某一位二进制数字量为1时,该位电子开关可使电阻网络的权电流输入到运算放大器的反相输入端迭加;当为0时,电子开关使权电流入地。各位权电流在运算放大器的反相输入端迭加后,由运算放大器转换成为相应的电压输出。输出电压U0和n位二进制数Di的关系可用下式表示:

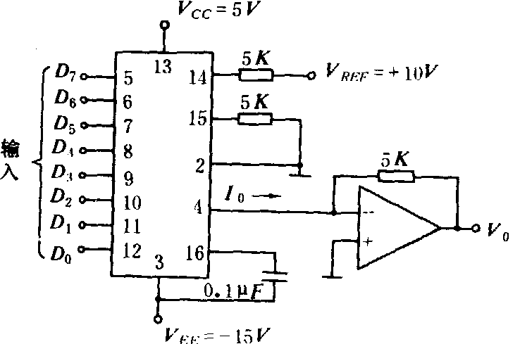
式中 Rf为运算放大器的反馈电阻;Vnf为基准电压;R为最低位的权电阻;K为常数,采用权电阻网络时为2n+1。由上式可见,输出电压U0(模拟量)与输入二进制数Di(数字量)成正比,实现数字量与模拟量的转换。在集成电路的数/模转换器中普遍采用变形权电阻网络,使网络中电阻阻值变化小,提高转换精度。数/模转换集成片的输入端有8位、10位、12位和16位等,如DAC0808是8位的数/模转换器,输入数字量为8位二进制数,它不包括运算放大器,应用时需外接运算放大器(见图)。

DAC0808转换器的连接电路


指标 数/模转换器的主要指标为:❶分辨率,指转移器所能分辨的被测量的最小值。如10位转换器的分辨率为1/210=1/1024;
❷稳定时间,指转换器的输入量快速改变时,其输出电压稳定下来所需要的时间。其他技术指标与模/数转换器类似(见模/数转换器)。
常用的数/模转换器有:8位数/模转换器AD1408、DAC080、DAC0832、DACIC8B; 10位数/模转换器AD7520、AD7533、AD561J、5G7520;12位数/模转换器AD7521、AD7543、DAC-68IC、AD 566 J;16/18位数/模转换器DAC1136、DAC1138。
随便看

 

开放百科全书收录579518条英语、德语、日语等多语种百科知识,基本涵盖了大多数领域的百科知识,是一部内容自由、开放的电子版国际百科全书。

 

Copyright © 2000-2025 oenc.net All Rights Reserved
更新时间:2025/11/10 12:28:55